Diharapkan dengan adanya surat kontrak kerja karyawan menandakan keduanya menjalin sebuah kesepakatan kerjasama untuk mencapai sebuah tujuan berkenaan dengan hak dan kewajiaban antara kedua belah pihak. Prosedur pelaksanaan pekerjaan e.

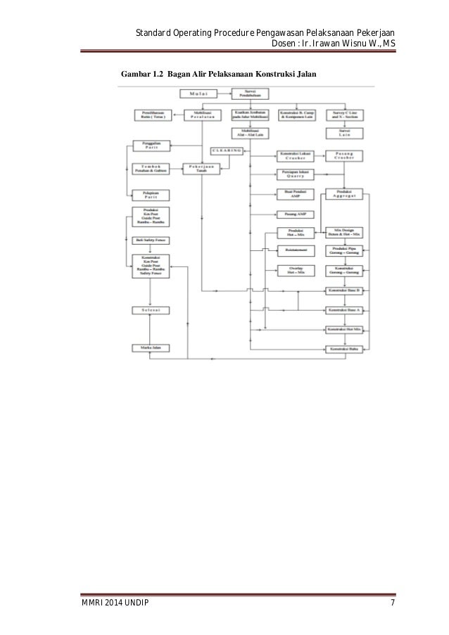
Kegiatan Pelaksanaan Proyek
Contoh dokumen kontrak proyek konstruksi pdf. Rani published manajemen proyek konstruksi find read and cite all the research you need on researchgate. 9232018 43 mobilisasi 1. Jasa aspek cara pembayaran aspek pemba. Sebagai contoh dokumen kontrak suatu proyek dapat terdiri dari dokumen dokumen seperti. Dokumen pekerjaan konstruksi adalah dokumen yang berisi pengaturan atau prosedur dan ketentuan administratif maupun teknis untuk penyelenggaraan suatu proyek fisik jalanjembatan yang pelaksanaannya akan diserahkan oleh pemilik proyek pengguna jasa konstruksi kepada pihak lain penyedia jasa konstruksi melalui proses pengadaan. Contoh surat kontrak kerja surat kontrak kerja adalah salah satu dokumen penting yang dimiliki oleh seorang karyawan pegawai di sebuah perusahaan.
Bentuk kontrak konstruksi bentuk konrak aspek perhit. Dokumen kontrak untuk pekerjaan konstruksi terdiri atas. Dokumen proyek dokumen kontrak. Prosedur instruksi kerja f. Pengadaanwebid merupakan situs yang membahas mengenai pengadaan barang dan jasa meliputi dokumen lelang kontrak e katalog jabatan fungsional pengadaan pekerjaan konstruksi pengadaan langsung swakelola perpres pbj perka lkpp dan informasi peraturan pemerintah lainnya serta membahas ekonomi dan bisnis. Contoh format surat jaminan hpsoe tidak dijadikan satu bendel.
Surat jaminan pelaksanaan surat perjanjian kerjakontrak. Kontrak atau perjanjian antara pemilik proyek dan kontraktor pemborongpada umumnya terdiri dari beberapa dokumen yang saling melengkapi dan secara bersama disebut dokumen kontrak. Konstruksi pada proyek konstruksi menetapkan sasaran program keselamatan konstruksi melaporkan kinerja penerapan smkk kepada pengguna jasa pimpinan ukk mengkoordinir penerapan smkk di tempat kegiatan konstruksi menyiapkan dokumen dokumen yang dipersyaratkan dalam penerapan smkk memastikan kegiatan keselamatan konstruksi di tempat kerja. Kontrak kerja adalah sebuah surat yang berisikan perjanjian atau kesepakatan sistem kerja antara karyawan dengan perusahaan tertentu. Organisasi proyek pengguna barangjasa dan penyedia barangjasa c. Banyak contoh surat kontrak kerja yang berlaku dalam sebuah perusahaan.
Pdf on nov 14 2016 hafnidar a. Dokumen tender spesifikasi gambar surat penunjukan letter of acceptance. Walaupun surat perjanjian kontrak kerja dibuat oleh pihak perusahaan namun isi dari surat ini dibuat bertujuan bukan hanya untuk mendapatkan keuntungan sebelah pihak semata.